Local:>>Home>>ProductsProducts
XG系列星型給料機
用 途 |
XG系列星形給料機(轉閥)是在引進消化國外同類產品的基礎上,經我廠改進設計的一種新型給料設備。該設備可將干燥粉狀或小顆粒狀物料均勻地輸送給受料裝置,同時具有鎖風、隔壓功能,能有效地解決有壓差情況的給料,特別適用于化工、制藥、食品等行業。 |
|
特 點 |
1、該設備結構簡單,操作方便,運轉平穩,噪音低。 |
2、給料連續均勻。 |
3、體積小,重量輕。 |
4、具備防銹、耐蝕。 |
5、配用防爆電機,適用于有防爆要求的場合。 |
型號及參數 |
XG□ |
X-星形 |
G-給料機 |
|
□-公稱直徑 |
|
主要技術參數 |
型號 |
公稱直徑(mm) |
每轉排出物料體積1/r |
排出能力M/H(n=100%) |
配套電機功率 |
重量(kg) |
20r.p.m |
30r.p.m |
45r.p.m |
XG100 |
100 |
1.0 |
1.2 |
1.8 |
2.7 |
0.37 |
84 |
XG125 |
125 |
1.5 |
1.8 |
2.7 |
4.05 |
0.37 |
96 |
XG150 |
150 |
2.5 |
3.0 |
4.5 |
6.75 |
0.55 |
108 |
XG200 |
200 |
4.3 |
5.16 |
7.74 |
11.61 |
0.75 |
228 |
XG260 |
260 |
8.0 |
9.6 |
14.4 |
21.6 |
1.1 |
342 |
XG300 |
300 |
12.0 |
14.4 |
21.6 |
32.4 |
1.5 |
437 | |
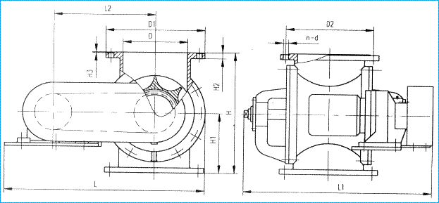
主要外型尺寸及圖 |
 |
型號 |
L |
L1 |
L2 |
D |
D1 |
D2 |
H |
H1 |
H2 |
H3 |
n-d |
XG100 |
400 |
430 |
254 |
100 |
215 |
180 |
330 |
105 |
24 |
3 |
8-18 |
XG125 |
504 |
476 |
280 |
125 |
245 |
210 |
370 |
185 |
26 |
3 |
8-18 |
XG150 |
558 |
527 |
310 |
150 |
280 |
240 |
420 |
210 |
28 |
3 |
8-23 |
XG200 |
612 |
578 |
340 |
200 |
335 |
295 |
460 |
230 |
30 |
3 |
12-23 |
XG260 |
730 |
720 |
406 |
260 |
405 |
355 |
550 |
275 |
32 |
3 |
12-25 |
XG300 |
876 |
864 |
480 |
300 |
460 |
410 |
620 |
310 |
34 |
4 |
12-25 | |